En este laboratorio desarrollamos un mensaje programable a gusto de cada quien, en el cual se va a visualizar en una matriz de LEDS. Voy a ir explicando el procedimiento paso a paso y al final del blog encontraremos un vídeo en donde resume todo el proceso.
Primero que todo usaremos un contador, el cual sacaremos del programa Psoc Creator. Usaremos una señal de reloj de 1.5KHz.

Luego usaremos un comparador que cuando llegue al numero 25 haga que se nos resetee nuestro contador a 0. Con esto conseguiremos optimizar recursos de procesamiento ya que no necesitamos que cuente hasta 31 porque nuestra matriz solo tiene 25 columnas. Este componente lo hicimos mediante un LUT, ya que solo en el numero 25 va a mandar una salida con un 1.

Luego procederemos a crear nuestra memoria ROM (donde estará guardado nuestro mensaje). Éste tendrá 5 entradas (salidas del contador) y 7 salidas (numero de filas de nuestra matriz).

Ahora vamos a explicar a detalle como se hizo el componente ROM. Para ello usamos un DECO de 5 entradas a 25 salidas, estas salidas van a ir conectadas a otras dos ROM y por ultimo tendremos las salidas.

Para entender lo anterior, lo primero que vamos a hacer es mostrar la tabla de verdad de nuestra ROM.

Visto lo anterior vamos a introducirnos al componente «rom1» y vamos a ver el esquemático que tiene adentro. La lógica de ese componente fue hecha usando minitérminos en la anterior tabla de verdad.

La rom2 fue hecha de la misma manera que la rom1. Creamos dos roms diferentes ya que nos quedaba mas facil la conexion de componentes mas adelante. La rom1 abarca la primera mitad de filas y la rom2 la otra mitad de las filas. Aqui encontramos el esquematico de la rom2.

Luego de esto, crearemos otro contador básico como el que vimos anteriormente en este blog. Luego crearemos un sumador de 5 BITS (el cual esta explicado en otra entrada de este blog, lo pueden encontrar como sumador de 2 BITS). Este sumador servirá para sumar las salidas de los contadores. Con esto conseguimos que se vea el movimiento de nuestro mensaje. Luego de esto vamos a usar un comparador idéntico al de arriba para poder resetear el nuevo contador. A continuación se pueden ver las conexiones.

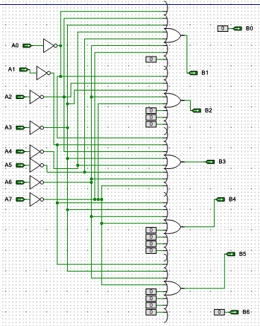
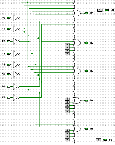
Ahora vamos a explicar el ultimo componente pero no menos importante, el Decodificador. Este deco nos va a ayudar a convertir de binario a «código led». A continuación encontraremos la tabla de verdad. Cabe aclarar que nuestra matriz en ánodo común. Lo cual funciona con lógica negativa.

Luego crearemos el componente en símbolo. Con 5 entradas y 25 salidas

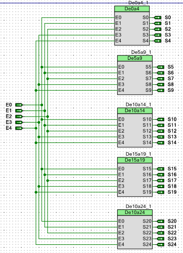
Luego crearemos su parte esquemática. Para ello creamos 5 componentes nuevos que se mostraran mas adelante.

Estos 5 componentes fueron creados para resumir el cableado y que quedara mas facil su visualización. Estos componentes fueron creados con las ecuaciones obtenidas en la tabla de verdad (anteriormente expuesta)
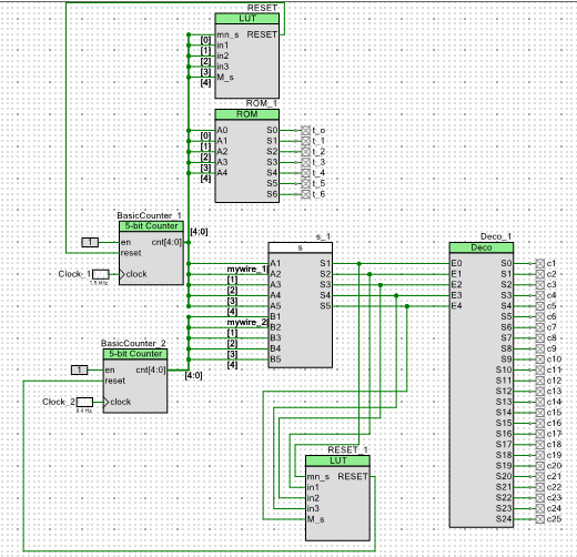
Por ultimo este seria todo nuestro proyecto en Psoc Creator.

Asignamos pines de salida y conectamos nuestra matriz led a nuestra Psoc y este seria el resultado.

Por último mostramos el vídeo resumiendo todo el proceso.