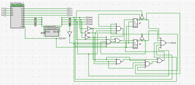
En este lab hicimos un circuito digital en el cual se busca que haya una salida encendida (LED con 1) cuando el usuario digite los números correctos en la secuencia.

También, se solicita que no se pierdan los numero de la secuencia al digitar erróneamente un numero, ejemplo si la contraseña es 11001 e ingresamos 1101 no se pierdan los datos anteriores si no que podamos hacer 11011001, como se puede observar, los datos anteriores erróneos sirvieron para introducir la secuencia correcta, para este diseño implementamos el siguiente top design:

El componente DecoTeclado es un decodificador que nos pasa del código de cada tecla del teclado matricial a BCD(Los decodificadores están mejor explicados en una entrada del blog). Luego creamos el componente 1 que su función es pasar de pasar de BCD a código binario. Este lo hicimos por medio de Verilog. este fue el código usado.

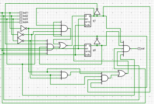
Luego de esto se creo un circuito secuencial el cual me permitiera detectar la secuencia de números introducidos. Para eso primero que todo creamos el diagrama de estados, luego creamos la tabla de excitación y por ultimo implementamos nuestro diseño con Flip Flops tipo D.

Este fue el resultado:
